من اخترع المذياع | اخترع المذياع | مذياع
من اخترع المذياع، اخترع المذياع، مذياع
من اخترع المذياع | اخترع المذياع | مذياع: يعرف المذياع بأنّه جهاز يتم بواسطته تحويل الموجات الكهرومغناطيسية ذات التردد الإذاعي إلى صوت مطابق للصوت الصادر من محطة الإذاعة، وهو جهاز يعتمد على تقنية اتصال تعتمد على الموجات الكهرومغناطيسية لبث الصوت، أو لإرسال أي نوع من المعلومات، والكثير من الناس يجهلون مخترع هذا الجهاز، علماً أنّ الأخبار تتضارب حول مخترعه، وهذا ما سنعرفكم عليه في هذا المقال.
من اخترع المذياع
-
هنري هيرتز
أجرى العالم الألماني هنري هيرتز عام 1889م تجارب على الموجات الكهرومغناطيسية، وصنع جهازاً يصدر موجاتٍ كهرومغناطيسية عن طريق تفريغ كهربائي، كما صنع جهاز كاشف للذبذبة، وهو عبارة عن جهاز يستطيع استقبال الموجات ثمّ تحويلها إلى كهرباء عن طريق التأثير.

-
أوجست ريجي
حسّن العالم الإيطالي أوجست ريجي أجهزة هيرتز، حيث أعاد صنع كاشف الذبذبة، كما تمكّن الفرنسي إدوار برانلي عام 1890م من اختراع جهاز كاشف للموجات، وهو عبارة عن جهاز يتكون من أنبوبة صغيرة من الزجاج، تتكون من قرصين معدنيين توجد بينهما كيمة من برادة الحديد، حيث تقاوم هذه البرادة سريان التيار الكهربائي عند توصيل الجهاز بالكهرباء، وتصبح بذلك قابلة للتوصيل بفعل الموجات الكهرومغناطيسية وبالتالي يمر التيار عن طريق الجهاز.
-
ألكسندر بوبوف
اخترع العالم ألكسندر بوبوف عام 1895م أول جهاز استقبال بذبذبات كهرومغناطيسية، وأطلق عليه اسم مسجل الرعد، ثمّ سُمي فيما بعد باسم الراديو، واستعرض ألكسندر خلال جلسة الجمعية الفيزيائية الكيميائية الروسية في 25 من شهر أبريل لعام 1985م اختراعه لأول مرة، وذلك قبل عام ونصف من استعراض العالم الإيطالي غوليلمو ماركوني للتلغراف اللاسلكي.

-
غولييلمو ماركوني
تمكّن العالم الإيطالي غولييمو ماركوني عام 1896م من استعمال الموجات الكهرومغناطيسية، وفي حين استعمل جهاز أوجست ريجي كجهاز إرسال، واستعمل الجهاز الكاشف للموجات كجهاز استقبال، ثمّ زوّد جهاز الإرسال بهوائي من أجل نقل الإشارات لمسافات بعيدة، وبذلك جاء الاعتقاد أنّه هو من اخترع المذياع.

-
نيكولا تيسلا ماركوني
زوّد نيكولا تيسلا ماركوني بمخططات اتضح فيما بعد أنها مخططات لمذياع، وعرض تيسلا عام 1893م بعرض هذه المخططات بعد إنهاء محاضرة له عن التقنيات اللاسلكية، في حين أنّ ماركوني استخدم هذه المخططات لنموذجه واشتهر بها على أنّه هو مخترع المذياع، ورفع تيسلا دعوى قضائية عليه لتحكم المحكمة لصالحه بأنّه هو من اخترع المذياع، وأنّ اختراع ماركوني غير صالح.

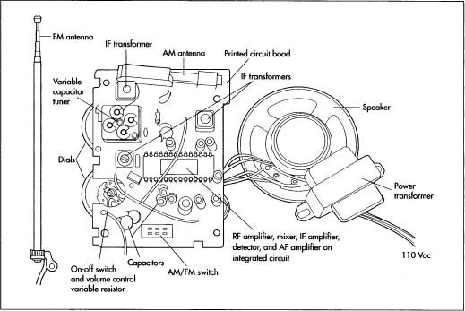
مكوّنات دائرة المذياع
تتكون دائرة المذياع من الهوائي الذي يلتقط الإشارة اللاسلكية، ويحوّلها إلى إشارة كهربائية، حيث تدخل هذه الإشارة إلى دائرة الانتقاء المكوّنة بشكلٍ أساسي من مكبر التردد العالي، والمكثف الهوائي، والمذبذب الذي ينتقي المحطة المراد سماعها، ويمنع التداخل بينها وبين المحطات الأخرى ذات الترددات المتقاربة، ثمّ تتبعها مرحلة تكبير الإشارة الصوتية لينصت المستمعون إلى ما يلقيه مذيع المحطة.

ارسال نظرات











