ربات Meca500: بازوی رباتیک هوشمند
0
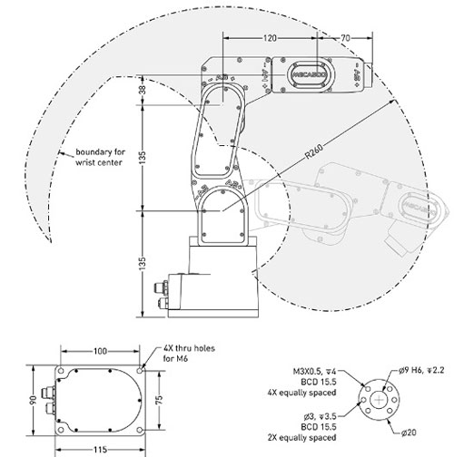
ربات Meca500 یک بازوی رباتیک هوشمند بوده که میتواند برای تحقیق، آموزش و اتوماسیون آزمایشگاهی مفید باشد. این نرمافزار با برنامهنویسی و شبیهسازی همراه است. ربات Meca500 از یک اتصال اترنت پشتیبانی نموده و با ROS قابل استفاده است. دارای موتورهای بدون برس و یک کنترلر است که در پایه آن تعبیه شده است. موتور ششم آن گیربکس موازی دو انگشت را کنترل میکند.

ویژگیها:
| وزن | 4.5 کیلوگرم |
| ظرفیت حمل بار | 500 گرم |
تولیدکننده:
- ساخت: کشور کانادا

- نام سازنده: Mecademic
کلمات کلیدی:
ربات, رباتیک, meca500, اخبار رباتیک, اخبار, بازوی رباتیک, cfp
ارسال نظرات












